Pipeline Engineering

ASME B31.8 - Reinforcement of Weld Branch Calculation (Demo)

Branch connections may be made by welded connections for pipeline systems designed in accordance with ASME B31.8. This tool was developed based on ASME B31.8 to help you determine if a reinforcement member is required. If yes, this tool can also verify your design to ensure it meets the minimum requirements of welded branch connection reinforcement.

Header Details

Select "Custom" for manual pipe OD and wall thickness inputs.
Select "Custom" from "Pipe Nominal Size" above for manual pipe OD and wall thickness inputs.
inch
inch
psi

Branch Pipe Details

inch
inch
psi
psig
 
 
 

Design Criteria for Welded Branch Connections

inch

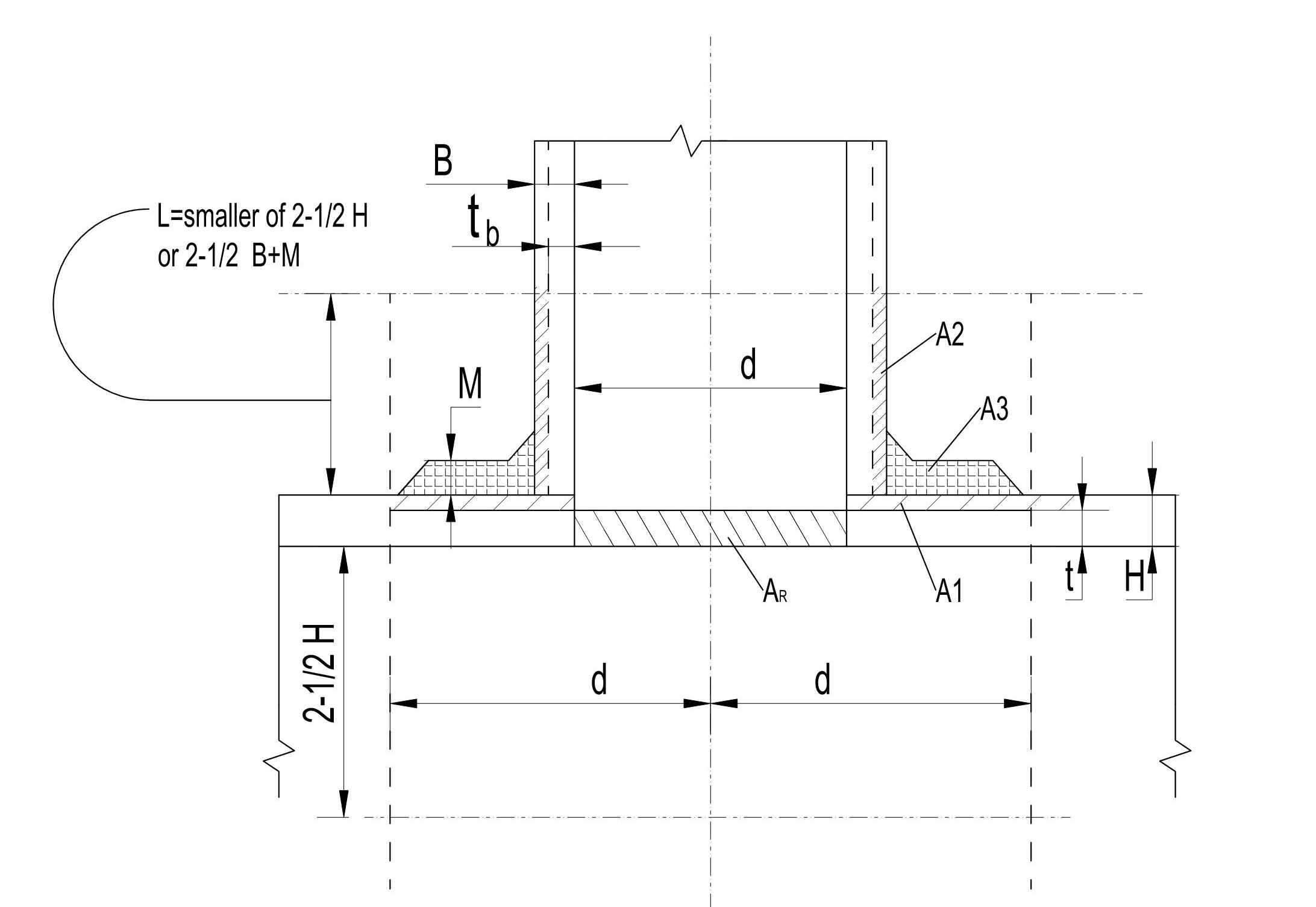
Reinforcement of Single Openings - ASME B31.8 (para. 831.4.1 & Appendix F)

psi

Reinforced Plate Selection - Complete Encirclement Type (Fig. I-3)

inch
inch

Reinforced Plate Selection - Localized Type (Fig. I-2)

inch
inch